Forward converters—also referred to as forward-converter transformers or transformers for forward-mode topology—are used in DC-DC conversion applications to provide voltage transformation and circuit isolation. They increase or decrease the voltage levels of DC input, depending on the duty cycle and number of windings. Compared to alternative topologies, they offer greater design simplicity, multiple isolated output potential, and ease of use.
The following article provides an overview of forward converters, outlining the types available, how they compare to flyback transformers, and typical end applications.
Types of Forward Converters
There are three main types of forward converters available:
Active Clamp Forward Converters
Active clamp forward converters have compound gates that move quickly to reduce switching losses during power conversion cycles. When voltage passes through the primary transformer coil, energy immediately transfers from the primary component to the secondary component, prompting current to pass from the output unit to the connected load.
Both forward converters and flyback converters can integrate clamp mechanisms in their designs—forward converters employ active clamps, while flyback converters utilize resistor-capacitor-diode (RCD) clamps. Despite similarities in the terminology, these clamps function and perform differently. For example, active clamps reclaim a large majority of leakage energy and recover almost all magnetizing energy. They also experience smaller energy losses during zero voltage switching and no voltage spike when turned off.
Single Switch Forward Converters
Employing the design principles used in buck topology, single switch forward converters focus on providing galvanic isolation in applications involving power levels of less than 200 watts. In these converters, closing the active switch connects the supply to the primary, which prompts the rectifier to conduct the current and pass it through the output inductor to the connected load. Until the switch reopens, the current rises linearly. Once the switch is opened, any energy stored in the inductor transfers directly to the load through the secondary diode.
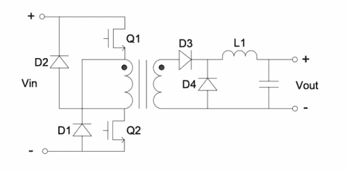
Two Switch Forward Converters
As the name suggests, two switch forward converters feature two switches that open and close together when prompted. Closing both switches allows energy to transfer from the primary into the secondary. Within the secondary, a tertiary diode conducts energy into the output inductor and the load. Once the switches are opened, energy flowing the tertiary and quaternary diodes flows back into the source. Compared to the single switch topology, the two-switch topology does not require the use of a snubber circuit or demagnetizing winding.
Differences Between Forward Converters and Flyback Transformers
While forward converters and flyback transformers may look similar, there are several key differences between them. For example:
- Forward converters use transformers to transfer energy, while flyback transformers store energy.
- Forward converters feature a more complex circuit topology as compared to that of flyback transformers.
- Forward converters are suitable for applications that require greater energy efficiency and higher power outputs (100 to 200 watts), while flyback transformers are suitable for power outputs up to 120 watts.
Typical Applications of Forward Converters
Forward converters find use in the power supplies of a wide range of equipment and systems, including those for the following industries:
- For the military: Military manufacturers use forward converters in unmanned aerial vehicles (UAVs), stun guns, dipole antennas, and more.
- For aerospace: Aircraft have forward converters in their lighting systems, entertainment devices, searchlights, and cameras.
- For renewable energy (i.e., solar power): Forward converters help prepare solar energy for storage and distribution by standardizing the output voltages. These components are in inverters and grid monitors in solar panel systems and built into electrical drive systems, storage inverters, and battery chargers.
- For computers: Forward converters can be found in a variety of powered computer equipment, including laser printers, laptops, and IP routers. Home entertainment systems with set-top boxes that receive digital television broadcasts also use them.
Forward Converter Solutions From MPS Industries
Forward converters allow industry professionals to transform DC input to higher or lower voltage levels to suit the output demands of the end application. Compared to flyback transformers, they are more efficient and accommodate higher power outputs. Available in several different designs, they can meet a variety of power requirements and restrictions.
At MPS Industries, one of our core specialties is the production of forward transfers and output inductors for forward converters. By working closely with customers, our expert team designs and delivers quality magnetic solutions tailored to their exact needs.
We’re proud to serve the following industries:
For additional information about our forward converters or our other products and services, contact us today.










