When a power converter doesn’t require very high power – i.e. 200 watts or less – flyback converters are good choices due to their lower cost, decreased quantity of components, and simple design. Flyback converters are used in a variety of equipment, including televisions, LED lighting arrays, telecommunications, and industrial systems.
One of the main components within a flyback converter design is the transformer. The primary distinguishing feature of a flyback transformer is a gapped core that holds energy from each input cycle.
The energy stored in the transformer’s core allows it to efficiently increase or decrease the voltage as needed for equipment operation.
How Does a Flyback Transformer Work?
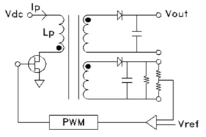
A flyback transformer circuit looks similar to other isolated transformers, and it uses many of the same components, including a switch, output rectifier or diode, and input and output capacitors. Unlike other isolated transformer designs, however, flyback transformers store energy within the core without the need for a separate output inductor. This highly efficient construction facilitates cost-effective power usage by ensuring circuit isolation and allowing both positive and negative output voltage.
Switch
The most common switch design for flyback converters is the metal oxide semiconductor field effect transistor (MOSFET), which consists of three terminals that modify the intensity of and redirect electronic signals. Switches for flyback converters may also be composed of bipolar transistors, gallium nitride (GaN), or silicon carbide (SiC).
When the switch is closed (or in the on position), current flows through the primary coil and gets stored in the core. When the switch is off, the current flows through the secondary coil and is transmitted to the output load. The output voltage is modified by adjusting duty cycles and turn ratios between the primary and secondary coils.
Coupled Inductor
The coils that transmit and store energy in a flyback transformer form a coupled inductor. The two coils are linked by mutual electromagnetic inductance—when energy flows into the primary coil, it creates a magnetic link and generates voltage in the second coil.
Coupled inductors are used to modify voltage. They can also be used to isolate circuit components to enhance the efficiency of electrical flow. When the switch is on, energy flows into the primary winding and gets stored in the core. The stored magnetic flux flows into the secondary winding when the switch is turned off, and the energy is then distributed through a diode.
Output Diode
Current may be increased, decreased, or modified as it flows from the second coil. Diodes ensure that the current flows unidirectionally toward the output and keep the voltage as necessary to meet the needs of the application. Since current from the transformer can fluctuate based on the input voltage, the diode and output capacitor help to keep the outflow of current steady.
Input and Output Capacitors
Capacitors in flyback transformers can be installed on both the input and output ends of the current flow. They are used to store energy so that it can be released in controlled amounts. Input capacitors control the flow of energy into the primary coil, while output capacitors manage the output to ensure a smooth flow of energy at the desired voltage and current.
Common Applications of Flyback Transformers
Flyback transformers are highly efficient, compact, and cost-effective, which makes them ideal for numerous applications and industries. Some of these uses include:
- DC-DC and AC-DC power supplies: Flyback transformers are used to facilitate the conversion of AC to DC and DC to DC in power supplies for a variety of devices that require current and voltage modification.
- Televisions and computer monitors: The first flyback transformers were invented for use in televisions, and they continue to provide a reliable source of steady voltage for computer monitors, televisions, and other visual displays.
- Aerospace components: The compact size, efficiency, and accuracy of flyback transformers make them perfect for use in electrical equipment found in aerospace applications.
- Telecommunications equipment: Flyback power converters are often used for DC to DC power conversion in telecommunication systems.
- LED lighting systems: Flyback transformers are used in LED drivers to regulate the output current from the power supply.
- Capacitor and battery charging systems: Flyback transformers convert current and transmit energy in capacitor and battery chargers.
- Converters and inverters: Since electrical converters and inverters operate at varying frequencies, flyback transformers adjust the voltage and current levels for a consistent power supply.
- Industrial systems: A broad range of industrial equipment uses flyback transformers to enhance operational efficiency and improve the performance of electrical components.
Advantages of Using Flyback Transformers
Flyback transformers offer numerous advantages over other converters, including:
- Circuit Isolation: A key benefit of flyback transformers is their circuit isolation, preventing electrical hazards and providing improved safety, particularly for those in the vicinity of high energy electrical systems.
- Compact Size: The simple design of flyback transformers makes them smaller, lighter, and easier to install than comparable transformers – meaning they are likely to be a better fit within your overall electrical system.
- Cost-Effectiveness: Flyback transformers are generally about the same investment as other transformers. However, flyback converters – of which flyback transformers are a key component – are typically less expensive than comparable converters, since they are made up of fewer components. This is important to keep in mind if you are considering flyback transformers and their application within flyback converters.
- Convenience: You can use flyback transformers to isolate and manipulate multiple output voltages from one control.
Considerations When Designing a Flyback Transformer
Flyback transformers are available in numerous designs and configurations. Before attempting to select or design an appropriate flyback transformer for your needs, gather the following data about your application to present to your component provider:
- Maximum size and weight requirements
- Switching frequency
- Max duty cycle
- Mounting type: surface mount, through-hole, etc.
- Input voltage
- Power and Output voltage (load)
Quality Flyback Transformers at MPS Industries
MPS Industries, Inc. is proud to offer an extensive range of quality electronic components for our customers in a wide range of industries, from aerospace and automotive to military, telecommunications, and renewable energy. We specialize in custom-manufactured inductors, power supplies, current sensors, and transformers. Our extensive experience in circuit design and engineering allows us to create unique electronic components to meet the most stringent industry standards and specifications.
Request a Quote or Contact Us
To learn more, visit our Flyback Transformers product page, or contact our experts to discuss your magnetic component needs.





